| Status de disponibilidade: | |
|---|---|
| Quantidade: | |
Rolamento de giro da engrenagem interna fina
XZWD
8482800000
Os rolamentos de giro são compostos por dois anéis, cada um contendo uma pista de precisão que é endurecida por indução na superfície até uma profundidade especificada.Cada anel é feito de aço carbono médio forjado. Os rolamentos de giro têm pistas construídas em uma configuração de contato de quatro pontos, com ângulos de contato de 45° como padrão.Outras configurações de pistas estão disponíveis, como rolo cruzado e contato de quatro pontos.Essas outras opções são frequentemente consideradas nos casos em que são necessárias cargas muito altas ou requisitos especiais de rigidez.
Os rolamentos de giro são necessários quando em uma determinada máquina ou sistema, uma parte estrutural precisa girar na direção oposta à outra ao longo de um eixo fixo, garantindo a ligação axial e radial entre as duas partes.
O rolamento de giro de peso leve tem a mesma estrutura com comum rolamento de giro, mas o peso é leve e gira de forma flexível.
Aplicação de rolamento de giro de peso leve:
1.máquinas de alimentos,
2. Máquinas de enlatar
3. Máquinas ambientais, etc.
Capacidade de rolamento de giro de peso leve:
Catálogo de rolamentos de giro leves:
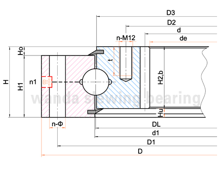
| Modelo | Dimensões (mm) | Dimensão de montagem (mm) | |||||||
| D | de | H | D1 | D2 | n | Φ | M | t | |
| WD-062.20.0414 | 486 | 326.5 | 56 | 460 | 375 | 24 | 13.5 | 12 | 20 |
| WD-062.20.0544 | 616 | 445.2 | 56 | 590 | 505 | 32 | 13.5 | 12 | 20 |
| WD-062.20.0644 | 716 | 547.2 | 56 | 690 | 605 | 36 | 13.5 | 12 | 20 |
| WD-062.20.0744 | 816 | 649.2 | 56 | 790 | 705 | 40 | 13.5 | 12 | 20 |
| WD-062.20.0844 | 916 | 737.6 | 56 | 890 | 805 | 40 | 13.5 | 12 | 20 |
| WD-062.20.0944 | 1016 | 841.6 | 56 | 990 | 905 | 44 | 13.5 | 12 | 20 |
| WD-062.20.1094 | 1166 | 985.6 | 56 | 1140 | 1055 | 48 | 13.5 | 12 | 20 |
Observação:
1. N1 é o número de furos de lubrificação.Copo de óleo M8×1JB/T7940.1~JB/T7940.
2. A localização do bico de óleo pode ser alterada de acordo com a aplicação do usuário.
3. 'Km' é redução aditiva;m: módulo;z: dentes nºs.
4. Para obter a capacidade da curva de carga, faça o download do nosso catálogo de rolamentos de giro.
Se você tiver alguma dúvida, sinta-se à vontade para entrar em contato conosco.
Os rolamentos de giro são compostos por dois anéis, cada um contendo uma pista de precisão que é endurecida por indução na superfície até uma profundidade especificada.Cada anel é feito de aço carbono médio forjado. Os rolamentos de giro têm pistas construídas em uma configuração de contato de quatro pontos, com ângulos de contato de 45° como padrão.Outras configurações de pistas estão disponíveis, como rolo cruzado e contato de quatro pontos.Essas outras opções são frequentemente consideradas nos casos em que são necessárias cargas muito altas ou requisitos especiais de rigidez.
Os rolamentos de giro são necessários quando em uma determinada máquina ou sistema, uma parte estrutural precisa girar na direção oposta à outra ao longo de um eixo fixo, garantindo a ligação axial e radial entre as duas partes.
O rolamento de giro de peso leve tem a mesma estrutura com comum rolamento de giro, mas o peso é leve e gira de forma flexível.
Aplicação de rolamento de giro de peso leve:
1.máquinas de alimentos,
2. Máquinas de enlatar
3. Máquinas ambientais, etc.
Capacidade de rolamento de giro de peso leve:
Catálogo de rolamentos de giro leves:
| Modelo | Dimensões (mm) | Dimensão de montagem (mm) | |||||||
| D | de | H | D1 | D2 | n | Φ | M | t | |
| WD-062.20.0414 | 486 | 326.5 | 56 | 460 | 375 | 24 | 13.5 | 12 | 20 |
| WD-062.20.0544 | 616 | 445.2 | 56 | 590 | 505 | 32 | 13.5 | 12 | 20 |
| WD-062.20.0644 | 716 | 547.2 | 56 | 690 | 605 | 36 | 13.5 | 12 | 20 |
| WD-062.20.0744 | 816 | 649.2 | 56 | 790 | 705 | 40 | 13.5 | 12 | 20 |
| WD-062.20.0844 | 916 | 737.6 | 56 | 890 | 805 | 40 | 13.5 | 12 | 20 |
| WD-062.20.0944 | 1016 | 841.6 | 56 | 990 | 905 | 44 | 13.5 | 12 | 20 |
| WD-062.20.1094 | 1166 | 985.6 | 56 | 1140 | 1055 | 48 | 13.5 | 12 | 20 |
Observação:
1. N1 é o número de furos de lubrificação.Copo de óleo M8×1JB/T7940.1~JB/T7940.
2. A localização do bico de óleo pode ser alterada de acordo com a aplicação do usuário.
3. 'Km' é redução aditiva;m: módulo;z: dentes nºs.
4. Para obter a capacidade da curva de carga, faça o download do nosso catálogo de rolamentos de giro.
Se você tiver alguma dúvida, sinta-se à vontade para entrar em contato conosco.