| Status de disponibilidade: | |
|---|---|
| Quantidade: | |
Um rolamento de giro ou anel giratório é um rotacional rolamento de elementos rolantes ou rolamento liso que normalmente suporta uma carga pesada, mas de rotação lenta ou oscilação lenta, geralmente uma plataforma horizontal, como uma plataforma convencional guindaste, uma baloiço, ou a plataforma voltada para o vento de um eixo horizontal moinho de vento.(To 'slew' significa virar sem mudar de lugar.)
Em comparação com outros rolamentos de elementos rolantes, os rolamentos de giro são finos na seção e geralmente são feitos com diâmetros de um metro ou mais;os rolamentos de giro do Roda Falkirk têm 4 metros de diâmetro e cabem sobre um eixo de 3,5 metros.Os rolamentos de giro se assemelham aos rolamentos de superfície de controle de aeronaves de tamanho grande.
Os rolamentos de giro geralmente usam duas fileiras de elementos rolantes.Eles costumam usar três corrida elementos, como um anel interno e duas 'metades' do anel externo que se prendem axialmente.
Os rolamentos de giro geralmente são feitos com dentes de engrenagem integrados à pista interna ou externa, usados para acionar a plataforma em relação à base.
Quanto a outros rolamentos que se alternam, em vez de girar continuamente, a lubrificação pode ser difícil.o cunha de óleo acumulado em um rolamento de rotação contínua é interrompido pelo movimento de início e parada do giro.Em vez disso, um mancal hidrostático com fluxo de óleo bombeado pode ser usado.
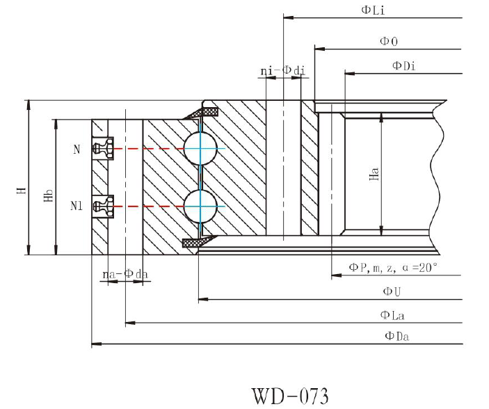
Rolamento de giro de duas fileiras de esferas, anel de giro tem três anéis de assento, a esfera de aço e os espaçadores podem ser dispostos diretamente na pista superior e inferior, e a esfera de aço tem dois tamanhos diferentes.
Rolamento de giro de duas carreiras de esferas diferentes, cargas axiais e radiais do anel de giro são relativamente grandes, é especialmente adequado para guindastes de torre de diâmetro médio, guindastes montados em caminhões, etc.
Modelo PDF.format | Dimensões (mm) | Dimensão de montagem (mm) | |||||||||||
| Da | O | U | Di | ha | Hb | H | Lá | n / D | da | li | ni | di | |
WD-073.22.0916.pdf | 1010 | 822 | 918 | 786 | 80 | 88 | 98 | 974 | 36 | 18 | 858 | 36 | 18 |
WD-073.25.1105.pdf | 1202 | 1008 | 1115 | 962 | 88 | 98 | 110 | 1166 | 36 | 18 | 1044 | 36 | 18 |
WD-073.30.1220.pdf | 1332 | 1108 | 1222 | 1062 | 98 | 110 | 120 | 1290 | 48 | 22 | 1150 | 48 | 22 |
WD-073.30.1593.pdf | 1713 | 1473 | 1595 | 1418.4 | 98 | 110 | 120 | 1667 | 48 | 26 | 1519 | 48 | 26 |
| Modelo | Dados da Engrenagem | Força da engrenagem (KN) | Peso | |||
| P(mm) | Módulo | Z (nº de dentes) | Permitido | máx. | Kg | |
| WD-073.22.0196 | 800 | 8 | 100 | 36.2 | 72.4 | 194 |
| WD-073.25.1105 | 980 | 10 | 98 | 45 | 90 | 297 |
| WD-073.30.1220 | 1080 | 10 | 108 | 68.9 | 137.8 | 387 |
| WD-073.30.1593 | 1440 | 12 | 120 | 92 | 184 | 549 |
Um rolamento de giro ou anel giratório é um rotacional rolamento de elementos rolantes ou rolamento liso que normalmente suporta uma carga pesada, mas de rotação lenta ou oscilação lenta, geralmente uma plataforma horizontal, como uma plataforma convencional guindaste, uma baloiço, ou a plataforma voltada para o vento de um eixo horizontal moinho de vento.(To 'slew' significa virar sem mudar de lugar.)
Em comparação com outros rolamentos de elementos rolantes, os rolamentos de giro são finos na seção e geralmente são feitos com diâmetros de um metro ou mais;os rolamentos de giro do Roda Falkirk têm 4 metros de diâmetro e cabem sobre um eixo de 3,5 metros.Os rolamentos de giro se assemelham aos rolamentos de superfície de controle de aeronaves de tamanho grande.
Os rolamentos de giro geralmente usam duas fileiras de elementos rolantes.Eles costumam usar três corrida elementos, como um anel interno e duas 'metades' do anel externo que se prendem axialmente.
Os rolamentos de giro geralmente são feitos com dentes de engrenagem integrados à pista interna ou externa, usados para acionar a plataforma em relação à base.
Quanto a outros rolamentos que se alternam, em vez de girar continuamente, a lubrificação pode ser difícil.o cunha de óleo acumulado em um rolamento de rotação contínua é interrompido pelo movimento de início e parada do giro.Em vez disso, um mancal hidrostático com fluxo de óleo bombeado pode ser usado.
Rolamento de giro de duas fileiras de esferas, anel de giro tem três anéis de assento, a esfera de aço e os espaçadores podem ser dispostos diretamente na pista superior e inferior, e a esfera de aço tem dois tamanhos diferentes.
Rolamento de giro de duas carreiras de esferas diferentes, cargas axiais e radiais do anel de giro são relativamente grandes, é especialmente adequado para guindastes de torre de diâmetro médio, guindastes montados em caminhões, etc.
Modelo PDF.format | Dimensões (mm) | Dimensão de montagem (mm) | |||||||||||
| Da | O | U | Di | ha | Hb | H | Lá | n / D | da | li | ni | di | |
WD-073.22.0916.pdf | 1010 | 822 | 918 | 786 | 80 | 88 | 98 | 974 | 36 | 18 | 858 | 36 | 18 |
WD-073.25.1105.pdf | 1202 | 1008 | 1115 | 962 | 88 | 98 | 110 | 1166 | 36 | 18 | 1044 | 36 | 18 |
WD-073.30.1220.pdf | 1332 | 1108 | 1222 | 1062 | 98 | 110 | 120 | 1290 | 48 | 22 | 1150 | 48 | 22 |
WD-073.30.1593.pdf | 1713 | 1473 | 1595 | 1418.4 | 98 | 110 | 120 | 1667 | 48 | 26 | 1519 | 48 | 26 |
| Modelo | Dados da Engrenagem | Força da engrenagem (KN) | Peso | |||
| P(mm) | Módulo | Z (nº de dentes) | Permitido | máx. | Kg | |
| WD-073.22.0196 | 800 | 8 | 100 | 36.2 | 72.4 | 194 |
| WD-073.25.1105 | 980 | 10 | 98 | 45 | 90 | 297 |
| WD-073.30.1220 | 1080 | 10 | 108 | 68.9 | 137.8 | 387 |
| WD-073.30.1593 | 1440 | 12 | 120 | 92 | 184 | 549 |