Número Browse:0 Autor:Rubi Zhang Publicar Time: 2018-03-22 Origem:alimentado
Para determinar se um Rolamento do anel de giro é apropriado para uma aplicação, um FATOR DE SERVIÇO é aplicado.Consulte a tabela abaixo para obter um guia do fator de serviço a ser aplicado à sua aplicação.As curvas de capacidade de carga mostradas neste catálogo são aproximadas e representam um fator de serviço de aplicação de 1,00.Para determinar a classificação necessária do rolamento, multiplique o fator de serviço aplicável pelas cargas aplicadas no rolamento e compare as cargas resultantes com as curvas de classificação de carga.
Classe de | Considerações Típicas | Exemplos de Aplicação | Mínimo |
LEVE | carregamento bem definido | Construção leve montada em pneus | 1.00 |
Carregando bem abaixo da capacidade | Tabela de índice de serviço leve | 1.00 | |
Rotação lenta, <10% do tempo e intermitente | Manipulador industrial leve ou robô | 1.00 | |
Mecanismo operado manualmente para serviço leve | 1.00 | ||
Dispositivos médicos leves | 1.00 | ||
Plataformas aéreas leves | 1.00 | ||
Posicionadores de soldagem | 1.00 | ||
Sinais rotativos, displays | 1.00 | ||
MÉDIO | carregamento bem definido | Construção leve montada em trilhos | 1.10 |
Carregando perto ou abaixo da capacidade | Construção de pátio de sucata | 1.25 | |
Rotação lenta, <30% do tempo e intermitente | Manipulador ou robô industrial de serviço médio | 1.25 | |
transportadores | 1.10 | ||
Mesas rotativas | 1.25 | ||
Cabrestantes e catracas | 1.10 | ||
Tratamento de água poluída | 1.10 | ||
PESADO | Carregamento não bem definido | Equipamento de manejo florestal | 1.50 |
Carregamento além da capacidade da máquina pode ocorrer | Mesas indexadoras e plataformas giratórias para serviço pesado | 1.50 | |
Carga de choque pode ocorrer | Escavadeiras | 1.50 | |
Rotação intermitente, até 100% do tempo | |||
ESPECIAL | Carregamento não bem definido | Energia alternativa (eólica, hídrica, etc.) | TBD |
rotação contínua | Aplicação offshore | TBD | |
Rotação de alta velocidade | Passeios de diversão | TBD | |
Cargas pesadas, choque, impacto | Aplicações siderúrgicas | TBD | |
Alta precisão, posicionamento | robótica de precisão | TBD |
Se você precisar de assistência para determinar um fator de serviço aplicável ou desejar uma curva de classificação de carga mais detalhada (recomendado se as cargas aplicadas ajustadas por seu fator de serviço estiverem próximas ou além das curvas de classificação de carga mostradas neste catálogo), entre em contato com a Engenharia para assistência.Observe que o projetista do equipamento é responsável por determinar o fator de serviço correto, geralmente validado por testes.
'Aplicação típica' de Rolamentos de giro exibirá as condições listadas abaixo.Atenção especial deve ser dada à seleção e características do rolamento sempre que as condições de aplicação diferirem daquelas consideradas 'típicas'.Essas condições típicas de aplicação são:
l Eixo vertical de rotação.Essencialmente, o rolamento montado 'flat'.
l Empuxo compressivo e cargas de momento predominantes em comparação com cargas de tração.
l Carga radial limitada a menos de 10% da carga axial.
l Para rolamentos de carreira única, a rotação intermitente (não contínua) não deve exceder uma velocidade de linha de passo de 500 pés/minuto.
l Temperatura operacional entre -40ºF e +140ºF.
l Geometria da superfície de montagem e procedimentos de instalação para garantir arredondamento e planicidade de ambas as pistas.Um exemplo de abordagem seria aplicar uma carga axial centralizada enquanto aperta os parafusos usando o método de padrão de estrela alternada.
l Verificação periódica dos parafusos de montagem para verificar se a tensão adequada é fornecida.
l Lubrificação periódica é fornecida.
Rolamentos de giro são projetados para acomodar cargas radiais, axiais e de momento significativas, conforme mostrado abaixo:

Isso é conseguido na maioria dos casos pela geometria exclusiva da pista de quatro pontos de contato, que é semelhante em conceito aos rolamentos de seção fina do tipo X.Isso permite que um único rolamento acomode todos os três cenários de carregamento mencionados acima, individualmente ou uma combinação deles.
Rolamentos de anel de giro são usados mais comumente onde a rotação é lenta, oscilante e/ou intermitente.Para cálculos de limite de velocidade, entre em contato com a Silverthin Engineering.
Rolamentos de anel de giro normalmente não são fornecidos com tolerâncias de diâmetro.Algumas aplicações do anel giratório requerem um grau mais alto de precisão.Para obter suporte de engenharia e design em aplicações especiais, entre em contato com a Engenharia.
Rolamentos de anel de giro são frequentemente usados em ambientes internos e externos onde a exposição à umidade e contaminação significativa é possível.Faixas normais de temperatura -40°F a +140°F (-40°C a +60°C) são padrão.Os anéis giratórios projetados para operar em ambientes adversos estão disponíveis na XZWD, entre em contato com um engenheiro da XZWD no início do processo de projeto para identificar a melhor solução de sistema de rolamento para ambientes extremos.
Conforme mencionado anteriormente, o melhor é montar os mancais em 'compressão' conforme a figura abaixo.Isso garante que a carga seja transportada pelas esferas, o que é representado na curva de carga fornecida.A montagem sob tensão tem uma capacidade significativamente menor, pois a resistência do parafuso torna-se a principal consideração para a capacidade.

As superfícies de montagem precisam ser usinadas com precisão para o funcionamento adequado do rolamento.Onde os padrões de parafuso padrão não puderem ser acomodados, entre em contato com a Silverthin Engineering para opções alternativas.Deve-se levar em consideração a montagem em tensão ou compressão.Em tração, a resistência do PARAFUSO torna-se a consideração de carga limitante, a curva de carga não se aplica mais e considerações especiais devem ser feitas.Veja as diretrizes adicionais abaixo.
Geralmente, esta regra prática fornecerá integridade estrutural adequada.
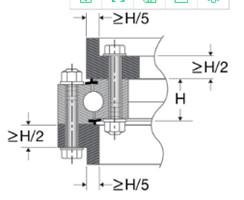
A planicidade da superfície de montagem do rolamento é crítica para o desempenho ideal.Frequentemente as estruturas de montagem são soldadas ou trabalhadas de forma a induzir tensões na estrutura.Essas tensões devem ser aliviadas, após o que a superfície de montagem do rolamento deve ser usinada plana.A planicidade deve ser considerada:
Direção circunferencial (δr): A quantidade de planicidade permitida na direção circunferencial para rolamentos de esferas de quatro pontos é mostrada na figura abaixo.Essa quantidade de planicidade não deve ser excedida em um vão inferior a 90° e não mais de uma vez em um vão não superior a 180°.
Desvio admissível de prato ou perpendicularidade na direção radial (δp): Para projetos de rolamentos de esferas de quatro pontos de contato, essa quantidade de prato admissível pode ser aproximada usando a fórmula:
δp ≈ 0,001 ∗ Dw ∗ P
Onde:
P | = | dim radial da face da estrutura de montagem (in) |
Dw | = | diâmetro do elemento rolante (pol) |

Observe que se uma aplicação exigir maior precisão ou baixo torque rotacional, pode ser necessário reduzir os valores de δr e δp.Para rolamentos de rolos, a planicidade permitida é aproximadamente 2/3 daquela para um tamanho equivalente rolamento de esferas de quatro pontos de contato.

A graxa é o lubrificante mais comum usado em rolamentos de coroa de orientação e aplicações de engrenagens.Lubrificação regular por meio de graxeiras ou orifícios de graxa fornecidos é necessária para operação adequada em anéis giratórios padrão.Para opções especiais de lubrificação, entre em contato com a XZWD
O Momento de Atrito pode ser estimado para um rolamento de anel giratório usando a fórmula indicada abaixo.Os valores resultantes assumem que o rolamento é montado de acordo com as diretrizes descritas neste catálogo.Essa estimativa só se aplica quando a carga é aplicada ao rolamento e não reflete o torque inicial em uma condição sem carga.Também não são considerados o torque de atrito gerado pelo lubrificante, vedações e peso dos componentes.No entanto, isso fornece um ponto de partida e, com a experiência adicional, ajustes podem ser feitos na montagem para acomodar o torque adicional.
Mf = μ ∗ (4,4M + Fa Dpw + 2,2 Fr Dpw) / 2
Onde:
Mf | = | Torque inicial do rolamento sob carga (ft-lbs) |
μ | = | Coeficiente de atrito (0,006 normalmente) |
M | = | Carga de momento (ft-Ibs) |
Fa | = | Carga axial (Ibs) |
Pe. | = | Carga radial (Ibs) |
Dpw | = | Diâmetro do passo do rolamento (pés) |
É sempre sugerido que os parafusos sejam selecionados com a orientação e assistência de um fornecedor de ferragens de fixação.A qualidade do parafuso, os procedimentos de pré-tensionamento e a manutenção podem variar muito.
O arranjo de parafusos ideal tem um círculo de parafusos nas pistas interna e externa com fixadores igualmente espaçados.Isso resulta em um arranjo de montagem mais uniforme, proporcionando o melhor desempenho entre o rolamento e os fixadores.Isso nem sempre é possível devido aos arranjos da estrutura de montagem, e os furos podem ser deslocados de acordo.Nesses casos, o teste é recomendado para determinar as cargas reais do parafuso, validar a configuração da junta e o procedimento de montagem.
Como ponto de partida para determinar a carga aproximada no parafuso mais carregado, a seguinte fórmula pode ser usada.Observe que Silverthin™ não oferece garantia, expressa ou implícita, em relação à adequação do parafuso.É altamente recomendável que o teste seja realizado para determinar a carga real, pois esta é a única maneira confiável de ter certeza.
RB = | 12 ∗ M ∗ r | ± | Fa |
BC ∗ n | n |
Onde:
RB | = | Carga total no parafuso carregado mais pesado (Ibs) |
M | = | Carga de momento (ft-Ibs) |
r | = | Fator de rigidez.Use 3 para rolamentos e estruturas de suporte de rigidez média. |
Fa | = | Carga axial (lbs) Se Fa está em tensão, o sinal é + Se Fa estiver em compressão, o sinal é - |
BC | = | Diâmetro do círculo do parafuso (pol.) |
n | = | Número total de parafusos igualmente distribuídos |
Sf | = | Fator de segurança do parafuso.Valor mínimo recomendado = 3. Veja a fórmula abaixo. |
Sf = | Classificação de carga à prova de parafuso |
RB |
Diâmetro do Parafuso (pol.) | Carga de Prova (lbs) |
1/2 | 17.000 |
5/8 | 27.100 |
3/4 | 40.100 |
7/8 | 55.400 |
1 | 72.700 |
1 - 1/8 | 91.600 |
1 - 1/4 | 116.300 |
1 - 1/2 | 168.600 |
1. Use parafusos sextavados de alta resistência com roscas grossas de acordo com SAE J429, Grau 8 ou ASTM A490/A490M ou ISO 898-1, Grau 10.9 tensionados a 70% de sua resistência ao escoamento.
2. Use porcas de rosca grossa de cabeça sextavada onde aplicável de acordo com SAE J995, Grau 8 ou ASTM A563, Grau DH ou ISO 898-2, Classe 10.
3. Para obter a tensão ideal do parafuso, a relação entre a distância da parte inferior da cabeça do parafuso até a primeira rosca de engate deve ser de 3,5 ou mais.O teste é necessário para validação.
4. Todos os parafusos de montagem em um determinado anel devem ter o mesmo comprimento de fixação.
5. A distância entre a cabeça do parafuso e as roscas do parafuso deve ser pelo menos igual ao diâmetro do corpo do parafuso.
6. O comprimento de engate da rosca do parafuso na estrutura de aço correspondente deve ser de pelo menos 1,25 vezes o diâmetro do parafuso.
7. Testes de bancada são recomendados para validar se o método de tensionamento do parafuso atinge os resultados desejados antes do teste do equipamento.
Ao instalar o rolamento, é importante garantir que o rolamento seja o mais redondo possível.Isso otimizará a distribuição de carga e promoverá uma operação mais suave.Os seguintes procedimentos são recomendados como auxílio.
Use arruelas redondas de aço temperado de acordo com ASTM F436 sob a cabeça do parafuso e também a porca.Arruelas e compostos de travamento na rosca não são recomendados.
Instale as arruelas, porcas e parafusos no rolamento e na estrutura de suporte e aperte manualmente.Não distorça o rolamento para instalar os parafusos.Aplique uma carga axial centralizada moderada ao rolamento.Aperte os parafusos de acordo com as especificações do projetista do equipamento.Uma abordagem comum é usar um padrão de estrela para apertar os parafusos, sequências conforme mostrado no diagrama abaixo.O padrão geralmente é feito em 3 etapas em aproximadamente 30%, 80% e 100% do torque final do parafuso ou nível de tensão especificado pelo projetista do equipamento.
A perda da tensão adequada pode levar à falha prematura do parafuso, falha do rolamento e da estrutura, danos aos componentes e fatalidade ou ferimentos a qualquer pessoa nas proximidades.Os parafusos requerem inspeção frequente quanto à tensão adequada, o que geralmente é obtido medindo o torque do parafuso.