| Status de disponibilidade: | |
|---|---|
| Quantidade: | |
HSB.25.625
XZWD
8482800000
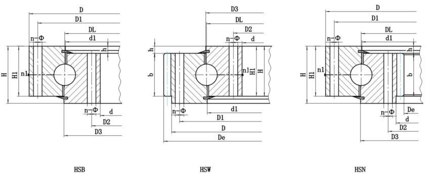
Os rolamentos de giro de quatro pontos de contato são rolamentos de esferas de contato angular de uma carreira e, portanto, requerem significativamente menos espaço na direção axial do que os projetos de duas carreiras.
Rolamento giratório de esferas de contato de 4 pontos de linha única - Série HS
Os rolamentos de coroa de orientação XZWD podem suportar cargas de momento radial, axial e de inclinação atuando individualmente ou em combinação e em qualquer direção.Portanto, é possível substituir o arranjo combinado de rolamentos radiais e axiais por um único rolamento, o que reduzirá consideravelmente o custo total e simplificará o projeto.Os anéis giratórios são vedados em ambos os lados, lubrificados com graxa de alta qualidade, podem ser relubrificados por meio de niples de lubrificação e são particularmente fáceis de instalar.
| Não | Modelo | Dimensões (mm) | Dimensões de montagem | Dimensões Estruturais | Peso | |||||||||
D | d | H | D1 | D2 | n | milímetros | n1 | D3 | d1 | H1 | h | |||
1 | 725 | 525 | 80 | 685 | 565 | 18 | 18 | 3 | 626 | 624 | 68 | 12 | 100 | |
2 | 820 | 620 | 80 | 780 | 660 | 18 | 18 | 3 | 721 | 719 | 68 | 12 | 120 | |
3 | 940 | 705 | 95 | 893 | 749 | 24 | 20 | 4 | 821 | 818 | 83 | 12 | 210 | |
4 | 1000 | 760 | 95 | 956 | 800 | 24 | 20 | 4 | 881 | 878 | 83 | 12 | 230 | |
5 | 1170 | 875 | 95 | 1120 | 930 | 24 | 22 | 4 | 1021 | 1018 | 80 | 15 | 300 | |
6 | 1365 | 1075 | 120 | 1310 | 1130 | 36 | 24 | 6 | 1221 | 1218 | 105 | 15 | 450 | |
7 | 1400 | 1090 | 120 | 1350 | 1150 | 36 | 26 | 6 | 1251 | 1248 | 105 | 15 | 520 | |
8 | 1595 | 1278 | 120 | 1535 | 1335 | 36 | 26 | 6 | 1436 | 1433 | 105 | 15 | 610 | |
9 | 1720 | 1360 | 140 | 1660 | 1420 | 42 | 26 | 6 | 1541 | 1538 | 122 | 18 | 732 | |
10 | 1875 | 1525 | 140 | 1815 | 1585 | 42 | 29 | 6 | 1701 | 1698 | 122 | 18 | 844 | |
11 | 2100 | 1665 | 160 | 2030 | 1740 | 48 | 32 | 6 | 1881 | 1878 | 140 | 20 | 1400 | |
12 | HSB.40.2115 | 2325 | 1900 | 160 | 2245 | 1980 | 48 | 32 | 6 | 2116 | 2113 | 140 | 20 | 1600 |
13 | HSB.40.2370 | 2600 | 2146 | 180 | 2520 | 2220 | 48 | 32 | 6 | 2371 | 2368 | 158 | 22 | 2100 |
14 | HSB.40.2600 | 2835 | 2365 | 180 | 2750 | 2450 | 54 | 36 | 6 | 2601 | 2598 | 158 | 22 | 2400 |
15 | HSB.50.2820 | 3085 | 2555 | 200 | 3000 | 2640 | 54 | 36 | 6 | 2822 | 2818 | 178 | 22 | 3400 |
16 | HSB.50.3120 | 3400 | 2840 | 200 | 3310 | 2930 | 54 | 36 | 6 | 3122 | 3118 | 178 | 22 | 4000 |
17 | HSB.50.3580 | 3920 | 3240 | 240 | 3820 | 3340 | 60 | 40 | 6 | 3582 | 3578 | 218 | 22 | 6700 |
18 | HSB.50.4030 | 4370 | 3690 | 240 | 4270 | 3790 | 66 | 40 | 6 | 4032 | 4028 | 218 | 22 | 7700 |
19 | HSB.50.4540 | 4860 | 4210 | 240 | 4760 | 4310 | 72 | 40 | 6 | 4542 | 4538 | 218 | 22 | 8760 |
Formulários:
Escavadeiras, plataformas de perfuração profunda e outros equipamentos de construção, construção de soldagem, engenharia e engenharia de instalações.
Os rolamentos de giro de quatro pontos de contato são rolamentos de esferas de contato angular de uma carreira e, portanto, requerem significativamente menos espaço na direção axial do que os projetos de duas carreiras.
Rolamento giratório de esferas de contato de 4 pontos de linha única - Série HS
Os rolamentos de coroa de orientação XZWD podem suportar cargas de momento radial, axial e de inclinação atuando individualmente ou em combinação e em qualquer direção.Portanto, é possível substituir o arranjo combinado de rolamentos radiais e axiais por um único rolamento, o que reduzirá consideravelmente o custo total e simplificará o projeto.Os anéis giratórios são vedados em ambos os lados, lubrificados com graxa de alta qualidade, podem ser relubrificados por meio de niples de lubrificação e são particularmente fáceis de instalar.
| Não | Modelo | Dimensões (mm) | Dimensões de montagem | Dimensões Estruturais | Peso | |||||||||
D | d | H | D1 | D2 | n | milímetros | n1 | D3 | d1 | H1 | h | |||
1 | 725 | 525 | 80 | 685 | 565 | 18 | 18 | 3 | 626 | 624 | 68 | 12 | 100 | |
2 | 820 | 620 | 80 | 780 | 660 | 18 | 18 | 3 | 721 | 719 | 68 | 12 | 120 | |
3 | 940 | 705 | 95 | 893 | 749 | 24 | 20 | 4 | 821 | 818 | 83 | 12 | 210 | |
4 | 1000 | 760 | 95 | 956 | 800 | 24 | 20 | 4 | 881 | 878 | 83 | 12 | 230 | |
5 | 1170 | 875 | 95 | 1120 | 930 | 24 | 22 | 4 | 1021 | 1018 | 80 | 15 | 300 | |
6 | 1365 | 1075 | 120 | 1310 | 1130 | 36 | 24 | 6 | 1221 | 1218 | 105 | 15 | 450 | |
7 | 1400 | 1090 | 120 | 1350 | 1150 | 36 | 26 | 6 | 1251 | 1248 | 105 | 15 | 520 | |
8 | 1595 | 1278 | 120 | 1535 | 1335 | 36 | 26 | 6 | 1436 | 1433 | 105 | 15 | 610 | |
9 | 1720 | 1360 | 140 | 1660 | 1420 | 42 | 26 | 6 | 1541 | 1538 | 122 | 18 | 732 | |
10 | 1875 | 1525 | 140 | 1815 | 1585 | 42 | 29 | 6 | 1701 | 1698 | 122 | 18 | 844 | |
11 | 2100 | 1665 | 160 | 2030 | 1740 | 48 | 32 | 6 | 1881 | 1878 | 140 | 20 | 1400 | |
12 | HSB.40.2115 | 2325 | 1900 | 160 | 2245 | 1980 | 48 | 32 | 6 | 2116 | 2113 | 140 | 20 | 1600 |
13 | HSB.40.2370 | 2600 | 2146 | 180 | 2520 | 2220 | 48 | 32 | 6 | 2371 | 2368 | 158 | 22 | 2100 |
14 | HSB.40.2600 | 2835 | 2365 | 180 | 2750 | 2450 | 54 | 36 | 6 | 2601 | 2598 | 158 | 22 | 2400 |
15 | HSB.50.2820 | 3085 | 2555 | 200 | 3000 | 2640 | 54 | 36 | 6 | 2822 | 2818 | 178 | 22 | 3400 |
16 | HSB.50.3120 | 3400 | 2840 | 200 | 3310 | 2930 | 54 | 36 | 6 | 3122 | 3118 | 178 | 22 | 4000 |
17 | HSB.50.3580 | 3920 | 3240 | 240 | 3820 | 3340 | 60 | 40 | 6 | 3582 | 3578 | 218 | 22 | 6700 |
18 | HSB.50.4030 | 4370 | 3690 | 240 | 4270 | 3790 | 66 | 40 | 6 | 4032 | 4028 | 218 | 22 | 7700 |
19 | HSB.50.4540 | 4860 | 4210 | 240 | 4760 | 4310 | 72 | 40 | 6 | 4542 | 4538 | 218 | 22 | 8760 |
Formulários:
Escavadeiras, plataformas de perfuração profunda e outros equipamentos de construção, construção de soldagem, engenharia e engenharia de instalações.