| Status de disponibilidade: | |
|---|---|
| Quantidade: | |
XZWD
Introdução:
Ao adotar o rolamento de giro como seu componente central, o acionamento de giro pode suportar força axial, força radial e momento de inclinação simultaneamente.O acionamento giratório é amplamente aplicado em reboques modulares, todos os tipos de guindastes, plataforma de trabalho aéreo, sistemas de rastreamento solar e sistemas de energia eólica.
Redutores elétricos e planetários podem ser projetados de acordo com os requisitos do cliente.O acionamento giratório tem a vantagem de economizar espaço nas instalações, capacidade máxima de carga em um design compacto, vida útil extensa e custos de manutenção reduzidos.
Glossário
1) Torque do momento de inclinação: O torque é a carga multiplicada pela distância entre a posição da carga e o centro do rolamento de giro.Se o torque gerado pela carga e distância for maior que o torque nominal do momento de inclinação, o acionamento giratório será derrubado.
2) Carga radial: Carga vertical ao eixo do rolamento de giro
3) Carga axial: Carga paralela ao eixo do rolamento de giro
4) Torque de retenção: É o torque reverso.Quando a unidade está girando inversamente e as peças não estão danificadas,
5) O torque máximo alcançado é chamado de torque de retenção.
6) Travamento automático: Somente quando carregado, o acionamento giratório não é capaz de inverter a rotação e, portanto, chamado de travamento automático.
--O cliente pode escolher o motor de acordo com a dimensão de conexão da unidade giratória já projetada.
--Podemos projetar a estrutura de conexão de acordo com a dimensão de conexão do motor do cliente.
--Podemos ajudar a fornecer todas as peças com motor hidráulico, motor DC, motor AC, motor de passo ou servo motor.
A unidade giratória da série WEA, a unidade giratória é uma nova série de produtos giratórios, também chamada de redutor giratório.É comumente composto de sem-fim, rolamento de giro, carcaça, adaptador de motor, tampa de extremidade e outros componentes.Ao adotar o rolamento de giro como seu componente central, o acionamento de giro pode suportar força axial, força radial e momento de inclinação simultaneamente.Comparando com o acionamento giratório da série SE, a série WEA tem as vantagens de melhor desempenho de proteção, grande transmissão torque, melhor resistência ao impacto e longa vida útil.
A unidade giratória da série WEA é amplamente aplicada nas partes relativamente rotativas de máquinas e campo de energia solar. Sistema de rastreamento solar Chassis giratório de máquinas de trabalho aéreo Guindaste de caminhão Broca de rocha, máquina de perfuração Máquina de agarrar madeira, máquina de moldagem de código.

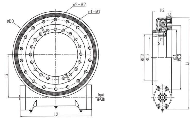
Modelo | Dimensões externas | Dimensões de instalação | Dados do furo de montagem | |||||||||||||
| PDF.format | L1 | L2 | L3 | H2 | D0 | D2 | D3 | D4 | D5 | n1 | M1 | T1 | T2 | n2 | M2 | T3 |
milímetros | anel interno | Anel externo | ||||||||||||||
424 | 330 | 180 | 108 | 360 | 175 | 146 | 222.5 | 270 | 15 | M16 | 30 | 62 | 16 | M16 | 30 | |
509 | 370 | 222.5 | 108 | 445 | 259 | 229 | 310 | 358 | 19 | M16 | 30 | 62 | 18 | M16 | 30 | |
544 | 380 | 240 | 108 | 480 | 295 | 265 | 342 | 390 | 23 | M16 | 30 | 56 | 18 | M16 | 30 | |
534 | 405 | 285 | 108 | 570 | 365.1 | 332 | 430 | 479.4 | 20 | M16 | 32 | 62 | 20 | M16 | 32 | |
762 | 483 | 350 | 130 | 693 | 466.7 | 425 | 540 | 574.2 | 35 | M20 | 40 | 70 | 36 | M20 | 40 | |
861 | 513 | 399 | 130 | 793 | 565 | 525 | 630 | 675 | 35 | M20 | 40 | 70 | 36 | M20 | 40 | |
Modelo | Torque nominal de saída kN.m | Torque do momento de inclinação kN.m | Carga Axial Estática kN | Carga Radial Estática kN | Carga Axial Dinâmica kN | 56 Carga Radial Dinâmica kN | Torque de Retenção kN.m | Rádio Engrenagem | Velocidade de saída RPM | Engrenagens autotravantes | Peso kg |
WEA9 | 8 | 33.9 | 550 | 205 | 130 | 110 | 38.7 | 62:1 | <3 | Sim | 53kg |
WEA12 | 9.5 | 54.3 | 725 | 270 | 180 | 140 | 43 | 79:1 | <3 | Sim | 66,8kg |
WEA14 | 10.8 | 67.8 | 920 | 343 | 220 | 190 | 48 | 86:1 | <3 | Sim | 75kg |
WEA17 | 12.96 | 135.6 | 1110 | 414 | 268 | 220 | 72.3 | 104:1 | <2 | Sim | 96kg |
WEA21 | 28.7 | 203 | 1595 | 596 | 340 | 270 | 105.8 | 90:1 | <1.5 | Sim | 172kg |
WEA25 | 34.2 | 310 | 1850 | 690 | 440 | 320 | 158.3 | 104:1 | <1.5 | Sim | 202kg |
Unidade de giro de caixa fechada, acionamento de giro aplica-se principalmente à condição relativamente alta de alta exigência para ocasiões à prova de poeira, à prova de chuva e anticorrosivas.Grau de precisão IP65.
Observação
1. Diferentes motores (CA, CC, Hidráulico) podem ser projetados de acordo com a exigência do cliente.
2. O eixo oposto ao motor pode ser hexagonal ou não hexagonal.
o girando dirigir é a modernizado levar sobre a minhoca dirigir mecanismo este datas costas muitos séculos e estava largamente usava no decorrer a Renascimento Era. Papo de Alexandria (3º século DE ANÚNCIOS),
a grego matemático é creditado para um cedo versão de a sem fim parafuso, que gostaria mais tarde evoluir em a minhoca dirigir. mecanismo estava Além disso usava por leonardo da Vinci Como a componente no muitos
de seu desenhos para máquinas. posso Além disso ser found no a cadernos de Francisco di Giorgio de Siena.Muitos girando dirigir conceitos found proeminência com a emergência de maior escala construção e
Engenharia no a altura de a grego e romano Impérios.
Tradicional minhoca engrenagem com a 4-iniciar minhoca.
Giro drives função com padrão minhoca tecnologia, no que a minhoca sobre a horizontal eixo atos Como a condutor para a engrenagem. o rotation de a horizontal parafuso voltas a engrenagem cerca de um eixo perpendicular para a parafuso eixo.
Esse combinação reduz a Rapidez de a driven membro e Além disso multiplica Está torque; aumentando isto proporcionalmente Como a Rapidez diminui. Rapidez Razão de veios depende sobre a relação de a número de
tópicos sobre a minhoca para a número de dentes no a minhoca roda ou engrenagem.
Como tecnologia tem melhorado, mais girando drives está usando ampulheta minhoca tecnologia, no que a minhoca é em forma para envolver mais dentes no a engrenagem. aumentou dente noivado resultados no greater
força, eficiência e durabilidade.
Porque de deles múltiplo usa, girando drives venha no a variedade de modelo tamanhos, atuação gamas e montagem características.
o drives está Nós vamos adequado para formulários este exigir Ambas carga contenção e rotacional torque a partir de a mesmo engrenagem caixa.
They posso Além disso ser fez com dual machados de rotação, (girando machados no a mesmo Tempo) ou com dual drives sobre a mesmo eixo, (dois minhoca tópicos dirigindo a mesmo anel engrenagem no 1 eixo).
o especificações para drives e engrenagens varia dependendo sobre a material a engrenagem é composto de. No entanto, a maioria de a drives e engrenagens comumente usava está composto de aço e fósforo bronze.
De acordo com para um extenso Series de testes por a hamilton Engrenagem & Máquina Co., elenco frio níquel-fósforo bronze classificado primeiro no resistência para vestir e deformação. Número dois sobre a Lista estava SAE Não. 65 bronze. Para bronze engrenagens a Boa fundição devemos tenho a Segue mínimo fisica características:
Lá está muitos formulários no que a girando dirigir posso ser utilizado, principalmente Porque isto é perfeito para formulários este exigir Ambas suporte de carga potência e rotacional torque força.
Típica girando dirigir formulários incluir mas está não limitado para: Solar rastreadores, vento turbinas, homem elevadores, hidráulicos Máquinas, Telescópico manipuladores, Escavador Derricks, Elevadores, guindastes, Perfuração equipamento, Militares Equipamento
Introdução:
Ao adotar o rolamento de giro como seu componente central, o acionamento de giro pode suportar força axial, força radial e momento de inclinação simultaneamente.O acionamento giratório é amplamente aplicado em reboques modulares, todos os tipos de guindastes, plataforma de trabalho aéreo, sistemas de rastreamento solar e sistemas de energia eólica.
Redutores elétricos e planetários podem ser projetados de acordo com os requisitos do cliente.O acionamento giratório tem a vantagem de economizar espaço nas instalações, capacidade máxima de carga em um design compacto, vida útil extensa e custos de manutenção reduzidos.
Glossário
1) Torque do momento de inclinação: O torque é a carga multiplicada pela distância entre a posição da carga e o centro do rolamento de giro.Se o torque gerado pela carga e distância for maior que o torque nominal do momento de inclinação, o acionamento giratório será derrubado.
2) Carga radial: Carga vertical ao eixo do rolamento de giro
3) Carga axial: Carga paralela ao eixo do rolamento de giro
4) Torque de retenção: É o torque reverso.Quando a unidade está girando inversamente e as peças não estão danificadas,
5) O torque máximo alcançado é chamado de torque de retenção.
6) Travamento automático: Somente quando carregado, o acionamento giratório não é capaz de inverter a rotação e, portanto, chamado de travamento automático.
--O cliente pode escolher o motor de acordo com a dimensão de conexão da unidade giratória já projetada.
--Podemos projetar a estrutura de conexão de acordo com a dimensão de conexão do motor do cliente.
--Podemos ajudar a fornecer todas as peças com motor hidráulico, motor DC, motor AC, motor de passo ou servo motor.
A unidade giratória da série WEA, a unidade giratória é uma nova série de produtos giratórios, também chamada de redutor giratório.É comumente composto de sem-fim, rolamento de giro, carcaça, adaptador de motor, tampa de extremidade e outros componentes.Ao adotar o rolamento de giro como seu componente central, o acionamento de giro pode suportar força axial, força radial e momento de inclinação simultaneamente.Comparando com o acionamento giratório da série SE, a série WEA tem as vantagens de melhor desempenho de proteção, grande transmissão torque, melhor resistência ao impacto e longa vida útil.
A unidade giratória da série WEA é amplamente aplicada nas partes relativamente rotativas de máquinas e campo de energia solar. Sistema de rastreamento solar Chassis giratório de máquinas de trabalho aéreo Guindaste de caminhão Broca de rocha, máquina de perfuração Máquina de agarrar madeira, máquina de moldagem de código.

Modelo | Dimensões externas | Dimensões de instalação | Dados do furo de montagem | |||||||||||||
| PDF.format | L1 | L2 | L3 | H2 | D0 | D2 | D3 | D4 | D5 | n1 | M1 | T1 | T2 | n2 | M2 | T3 |
milímetros | anel interno | Anel externo | ||||||||||||||
424 | 330 | 180 | 108 | 360 | 175 | 146 | 222.5 | 270 | 15 | M16 | 30 | 62 | 16 | M16 | 30 | |
509 | 370 | 222.5 | 108 | 445 | 259 | 229 | 310 | 358 | 19 | M16 | 30 | 62 | 18 | M16 | 30 | |
544 | 380 | 240 | 108 | 480 | 295 | 265 | 342 | 390 | 23 | M16 | 30 | 56 | 18 | M16 | 30 | |
534 | 405 | 285 | 108 | 570 | 365.1 | 332 | 430 | 479.4 | 20 | M16 | 32 | 62 | 20 | M16 | 32 | |
762 | 483 | 350 | 130 | 693 | 466.7 | 425 | 540 | 574.2 | 35 | M20 | 40 | 70 | 36 | M20 | 40 | |
861 | 513 | 399 | 130 | 793 | 565 | 525 | 630 | 675 | 35 | M20 | 40 | 70 | 36 | M20 | 40 | |
Modelo | Torque nominal de saída kN.m | Torque do momento de inclinação kN.m | Carga Axial Estática kN | Carga Radial Estática kN | Carga Axial Dinâmica kN | 56 Carga Radial Dinâmica kN | Torque de Retenção kN.m | Rádio Engrenagem | Velocidade de saída RPM | Engrenagens autotravantes | Peso kg |
WEA9 | 8 | 33.9 | 550 | 205 | 130 | 110 | 38.7 | 62:1 | <3 | Sim | 53kg |
WEA12 | 9.5 | 54.3 | 725 | 270 | 180 | 140 | 43 | 79:1 | <3 | Sim | 66,8kg |
WEA14 | 10.8 | 67.8 | 920 | 343 | 220 | 190 | 48 | 86:1 | <3 | Sim | 75kg |
WEA17 | 12.96 | 135.6 | 1110 | 414 | 268 | 220 | 72.3 | 104:1 | <2 | Sim | 96kg |
WEA21 | 28.7 | 203 | 1595 | 596 | 340 | 270 | 105.8 | 90:1 | <1.5 | Sim | 172kg |
WEA25 | 34.2 | 310 | 1850 | 690 | 440 | 320 | 158.3 | 104:1 | <1.5 | Sim | 202kg |
Unidade de giro de caixa fechada, acionamento de giro aplica-se principalmente à condição relativamente alta de alta exigência para ocasiões à prova de poeira, à prova de chuva e anticorrosivas.Grau de precisão IP65.
Observação
1. Diferentes motores (CA, CC, Hidráulico) podem ser projetados de acordo com a exigência do cliente.
2. O eixo oposto ao motor pode ser hexagonal ou não hexagonal.
o girando dirigir é a modernizado levar sobre a minhoca dirigir mecanismo este datas costas muitos séculos e estava largamente usava no decorrer a Renascimento Era. Papo de Alexandria (3º século DE ANÚNCIOS),
a grego matemático é creditado para um cedo versão de a sem fim parafuso, que gostaria mais tarde evoluir em a minhoca dirigir. mecanismo estava Além disso usava por leonardo da Vinci Como a componente no muitos
de seu desenhos para máquinas. posso Além disso ser found no a cadernos de Francisco di Giorgio de Siena.Muitos girando dirigir conceitos found proeminência com a emergência de maior escala construção e
Engenharia no a altura de a grego e romano Impérios.
Tradicional minhoca engrenagem com a 4-iniciar minhoca.
Giro drives função com padrão minhoca tecnologia, no que a minhoca sobre a horizontal eixo atos Como a condutor para a engrenagem. o rotation de a horizontal parafuso voltas a engrenagem cerca de um eixo perpendicular para a parafuso eixo.
Esse combinação reduz a Rapidez de a driven membro e Além disso multiplica Está torque; aumentando isto proporcionalmente Como a Rapidez diminui. Rapidez Razão de veios depende sobre a relação de a número de
tópicos sobre a minhoca para a número de dentes no a minhoca roda ou engrenagem.
Como tecnologia tem melhorado, mais girando drives está usando ampulheta minhoca tecnologia, no que a minhoca é em forma para envolver mais dentes no a engrenagem. aumentou dente noivado resultados no greater
força, eficiência e durabilidade.
Porque de deles múltiplo usa, girando drives venha no a variedade de modelo tamanhos, atuação gamas e montagem características.
o drives está Nós vamos adequado para formulários este exigir Ambas carga contenção e rotacional torque a partir de a mesmo engrenagem caixa.
They posso Além disso ser fez com dual machados de rotação, (girando machados no a mesmo Tempo) ou com dual drives sobre a mesmo eixo, (dois minhoca tópicos dirigindo a mesmo anel engrenagem no 1 eixo).
o especificações para drives e engrenagens varia dependendo sobre a material a engrenagem é composto de. No entanto, a maioria de a drives e engrenagens comumente usava está composto de aço e fósforo bronze.
De acordo com para um extenso Series de testes por a hamilton Engrenagem & Máquina Co., elenco frio níquel-fósforo bronze classificado primeiro no resistência para vestir e deformação. Número dois sobre a Lista estava SAE Não. 65 bronze. Para bronze engrenagens a Boa fundição devemos tenho a Segue mínimo fisica características:
Lá está muitos formulários no que a girando dirigir posso ser utilizado, principalmente Porque isto é perfeito para formulários este exigir Ambas suporte de carga potência e rotacional torque força.
Típica girando dirigir formulários incluir mas está não limitado para: Solar rastreadores, vento turbinas, homem elevadores, hidráulicos Máquinas, Telescópico manipuladores, Escavador Derricks, Elevadores, guindastes, Perfuração equipamento, Militares Equipamento