Número Browse:0 Autor:Yingying Zhou Publicar Time: 2018-08-07 Origem:alimentado
o anel giratório de esfera de contato de quatro pontos de linha única é composto de dois anéis de assento. Possui design compacto, leve, as esferas entram em contato com a pista circular em quatro pontos, através dos quais a força axial, a força radial e o momento resultante podem nascer simultaneamente. Pode ser usado para transportadores giratórios , consoles de operação de soldagem, guindastes leves e médios, escavadeiras e outras máquinas de engenharia.
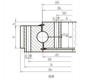
Os anéis giratórios de perfil leve pré-projetados da série HS apresentam seções transversais retangulares, que permitem padrões de furos alternativos, rigidez aprimorada e potencial para mais capacidade.Ideal para guindastes, elevadores aéreos, torres de escavação, giros de chutes, rotadores de empilhadeiras e plataformas giratórias industriais.


A série HS compartilha o mesmo pinhão, engrenagem e dureza do núcleo de corrida.No entanto, o anel giratório HS apresenta folga reduzida e seções retangulares que fornecem capacidade adicional, maior rigidez e menos movimento do que a série RK. Rolamentos de anel giratório HS variam em tamanho de 20' a 47' (500 mm a 1.200 mm) OD com uma seção transversal padrão.As configurações incluem sem engrenagem e com engrenagem interna (com conexões no diâmetro externo) e com engrenagem externa (conexões no diâmetro interno).As engrenagens são projetos Involute Stub com ângulos de pressão de 20°, fabricados de acordo com AGMA Classe Q5 e tolerância de 0,015' a 0,025' para folga.
Os rolamentos de coroa de orientação HS apresentam dois encaixes para lubrificação, espaçados em 180°.As corridas com engrenagem têm furos roscados, enquanto as corridas sem engrenagem têm furos passantes.Todos têm vedações integrais projetadas para proteger contra contaminação.
Os engenheiros da XZWD aplicam sua experiência e conhecimento para criar uma ampla variedade de soluções para enfrentar os desafios de rolamentos mais exclusivos, tornando a XZWD o principal fornecedor de rolamentos para guindastes.