Você está aqui: ~!phoenix_var0!~ » ~!phoenix_var0!~ » Notícia da indústria » Condições de uso do rolamento de coroa de orientação e aplicação típica

Condições de uso do rolamento de coroa de orientação e aplicação típica

Número Browse:0     Autor:Micky Sun     Publicar Time: 2018-11-03      Origem:alimentado

Inquérito

facebook sharing button
twitter sharing button
line sharing button
wechat sharing button
linkedin sharing button
pinterest sharing button
whatsapp sharing button
sharethis sharing button

Aplicação típica

A 'aplicação típica' do rolamento de giro Xuzhou Wanda exibirá as condições listadas abaixo.Atenção especial deve ser dada à seleção e características do rolamento sempre que as condições de aplicação diferirem daquelas consideradas 'típicas'.Essas condições típicas de aplicação são:

· Eixo vertical de rotação.Essencialmente, o rolamento montado 'flat'.

· Empuxo compressivo e cargas de momento predominantes em comparação com cargas de tração.

· Carga radial limitada a menos de 10% da carga axial.

· Para rolamentos de carreira única, a rotação intermitente (não contínua) não deve exceder uma velocidade de linha de inclinação de 500 pés/minuto.

· Temperatura de operação entre -40ºF a +140ºF.

· Geometria da superfície de montagem e procedimentos de instalação para assegurar arredondamento e planicidade de ambas as pistas.Um exemplo de abordagem seria aplicar uma carga axial centralizada enquanto aperta os parafusos usando o método de padrão de estrela alternada.

· Verificação periódica dos parafusos de montagem para verificar se a tensão adequada é fornecida.

· Lubrificação periódica é fornecida.

Capacidade de Carga

XZWD Rolamentos de giro são projetados para acomodar cargas radiais, axiais e de momento significativas, conforme mostrado abaixo:

projeto de rolamento de anel de giroestrutural do rolamento do anel de giro

Isso é obtido na maioria dos casos pela geometria exclusiva da pista de quatro pontos de contato, que é semelhante em conceito aos rolamentos de seção fina tipo X XZWD.Isso permite que um único rolamento acomode todos os três cenários de carregamento mencionados acima, individualmente ou uma combinação deles.

Para obter informações mais detalhadas sobre as capacidades de carga do anel de rolamento de giro Xuzhou Wanda, consulte os gráficos de curvas de carga.

Velocidade

Os rolamentos de anel giratório XZWD são usados ​​com mais frequência onde a rotação é lenta, oscilante e/ou intermitente.Para cálculos de limite de velocidade, entre em contato com a XZWD Engineering.

Precisão

Os rolamentos de coroa de orientação XZWD normalmente não são fornecidos com tolerâncias de diâmetro.Algumas aplicações do anel giratório requerem um grau mais alto de precisão.Para obter suporte de engenharia e design em aplicações especiais, entre em contato com a XZWD Engineering.

Meio Ambiente

Os rolamentos de anel giratório XZWD são frequentemente usados ​​em ambientes internos e externos, onde a exposição à umidade e contaminação significativa é possível.Faixas normais de temperatura -40°F a +140°F (-40°C a +60°C) são padrão.Os anéis giratórios projetados para operar em ambientes adversos estão disponíveis na XZWD, entre em contato com um engenheiro da XZWD no início do processo de projeto para identificar a melhor solução de sistema de rolamento para ambientes extremos.Tal como se você quiser usá-lo neste rolamento de giro para guindaste, você pode entrar em contato conosco.

carga axial de compressão

Montagem - Tensão versus Compressão

Conforme mencionado anteriormente, o melhor é montar os mancais em 'compressão' conforme a figura abaixo.Isso garante que a carga seja transportada pelas esferas, o que é representado na curva de carga fornecida.A montagem sob tensão tem uma capacidade significativamente menor, pois a resistência do parafuso torna-se a principal consideração para a capacidade.

Montagem

As superfícies de montagem precisam ser usinadas com precisão para o funcionamento adequado do rolamento.Onde os padrões de parafusos padrão não puderem ser acomodados, entre em contato com a XZWD Engineering para opções alternativas.Deve-se levar em consideração a montagem em tensão ou compressão.Em tração, a resistência do PARAFUSO torna-se a consideração de carga limitante, a curva de carga não se aplica mais e considerações especiais devem ser feitas.Veja as diretrizes adicionais abaixo.

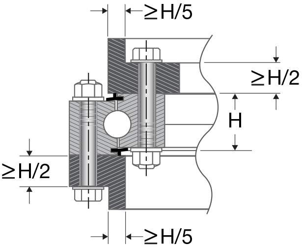
Diretrizes Mínimas da Estrutura de Montagem

Geralmente, esta regra prática fornecerá integridade estrutural adequada.

Estrutura do rolamento do anel giratório



Lubrificação

A graxa é o lubrificante mais comum usado em rolamentos de coroa de orientação e aplicações de engrenagens.Lubrificação regular por meio de graxeiras ou orifícios de graxa fornecidos é necessária para operação adequada em anéis giratórios padrão.Para opções especiais de lubrificação, entre em contato com o rolamento de giro Xuzhou Wanda.

Momento de Atrito (Torque de Rotação)

O momento de atrito pode ser estimado para um rolamento de coroa de orientação usando a fórmula indicada abaixo.Os valores resultantes assumem que o rolamento é montado de acordo com as diretrizes descritas neste catálogo.Essa estimativa só se aplica quando a carga é aplicada ao rolamento e não reflete o torque inicial em uma condição sem carga.Também não são considerados o torque de atrito gerado pelo lubrificante, vedações e peso dos componentes.No entanto, isso fornece um ponto de partida e, com a experiência adicional, ajustes podem ser feitos na montagem para acomodar o torque adicional.

Fixação do rolamento à superfície de montagem

Quando instalando o rolamento , é importante garantir que o rolamento seja o mais redondo possível.Isso otimizará a distribuição de carga e promoverá uma operação mais suave.Os seguintes procedimentos são recomendados como auxílio.

instalação de rolamento de giro

Use arruelas redondas de aço temperado de acordo com ASTM F436 sob a cabeça do parafuso e também a porca.Arruelas e compostos de travamento na rosca não são recomendados.

Instale as arruelas, porcas e parafusos no rolamento e na estrutura de suporte e aperte manualmente.Não distorça o rolamento para instalar os parafusos.Aplique uma carga axial centralizada moderada ao rolamento.Aperte os parafusos de acordo com as especificações do projetista do equipamento.Uma abordagem comum é usar um padrão de estrela para apertar os parafusos, sequências conforme mostrado no diagrama abaixo.O padrão geralmente é feito em 3 etapas em aproximadamente 30%, 80% e 100% do torque final do parafuso ou nível de tensão especificado pelo projetista do equipamento.

A perda da tensão adequada pode levar à falha prematura do parafuso, falha do rolamento e da estrutura, danos aos componentes e fatalidade ou ferimentos a qualquer pessoa nas proximidades.Os parafusos requerem inspeção frequente quanto à tensão adequada, o que geralmente é obtido medindo o torque do parafuso.


produtos relacionados

Rolamento Co. do giro de Xuzhou WanDa, Ltd.
Mais uma escolha para você!
Xuzhou WanDa Slewing Bearing Co.,Ltd.
丨Adicionar: No.8, Estrada Norte de Dianchang, Zona de Desenvolvimento Industrial de Alta Tecnologia, Cidade de Xuzhou, Província de Jiangsu, China.
丨+86-516-83309366
丨 info@slew-bearing.com
丨 +86-180 2053 7858
Casa
CONTATE-NOS